保羅·謝勒研究所(PSI)研究人員開發出一種新分析方法,可檢測沼氣中含量極低的關鍵雜質,小型沼氣廠無需大量投資即可使用,有力促進能源轉型。當前,沼氣市場呈增長態勢,據瑞士聯邦能源辦公室統計,瑞士去年向天然氣管網輸送沼氣量約為十年前的兩倍。因沼氣有嚴格質量標準,對雜質快速可靠檢測需求日益增加。

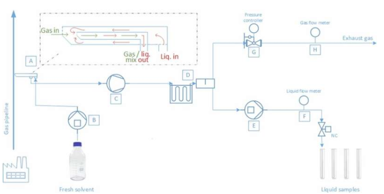
液體淬火取樣系統示意圖。
PSI能源與環境科學中心研究人員找到解決方案,開發的分析方法能同時檢測沼氣中最關鍵的硫化物和硅氧烷兩種雜質,相關成果已發表在《能源進展》雜志。瑞士全國有超160座沼氣廠利用廢棄物等生產沼氣,數百座污水處理廠也轉化污水污泥為類似沼氣的污水氣。沼氣含多種雜質,濃度極低卻危害巨大,如有機硫化合物和硅氧烷,前者是細菌分解含硫蛋白質形成,后者常見于沐浴露,會隨污水進入沼氣池,對燃料電池是“毒藥”,還會在生物甲烷燃燒時生成堵塞燃燒器的二氧化硅。
雜質阻礙生物甲烷在燃料電池應用,干擾沼氣濃縮及輸送。瑞士對沼氣中硫化物和硅氧烷含量有嚴格限制,可靠分析對沼氣系統運行至關重要。阿加瓦爾開發的分析方法可同時檢測硅氧烷和有機硫化合物,低至十億分之十五的痕量。PSI還為小型沼氣廠開發實用方案,用移動設備采集沼氣樣本,溶解在液體中送分析實驗室。
該分析方法具普適性,可在全國廣泛應用,促進沼氣使用?死锼沟侔病ぢ返戮S希稱這是PSI應用研究為挑戰提供切實可行方案的例證。此方法先通過氣相色譜儀分離沼氣成分,再用“電感耦合等離子體質譜法”記錄成分,只記錄特定元素,能檢測出含量極低的硫和硅等化合物。阿加瓦爾表示,據其所知這是首個能同時測量硫和硅化合物的方法。
特別聲明:國家電投官方網站轉載其他網站內容,出于傳遞更多信息而非盈利之目的,同時并不代表贊成其觀點或證實其描述,內容僅供參考。版權歸原作者所有,若有侵權,請聯系我們刪除。